English
Español
Português
русский
Français
日本語
Deutsch
tiếng Việt
Italiano
Nederlands
ภาษาไทย
Polski
한국어
Svenska
magyar
Malay
বাংলা ভাষার
Dansk
Suomi
हिन्दी
Pilipino
Türkçe
Gaeilge
العربية
Indonesia
Norsk
تمل
český
ελληνικά
український
Javanese
فارسی
தமிழ்
తెలుగు
नेपाली
Burmese
български
ລາວ
Latine
Қазақша
Euskal
Azərbaycan
Slovenský jazyk
Македонски
Lietuvos
Eesti Keel
Română
Slovenski
मराठी
Srpski језик |
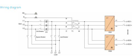
Särdrag Systemet använder modulära inverterenheter i parallell konfiguration, där varje invertermoduls DC-ingång motsvarar ett dedikerat batteriskåp, möjliggör per-klusterhantering för att eliminera cirkulerande strömmar mellan batteristrängar. AC/DC-strömmodulerna stöder flexibel användning i både kvantitet och märkeffekt, med en maximal kapacitet på 60kW moduler i en 5-enhets parallell konfiguration. AC-utgången från effektmodulerna levereras via en transformator isolerat slutsteg, som levererar ström till lasten med starkt motstånd mot nuvarande chock. Hybriden ESS använder DC-kopplad solcellsintegration, vilket uppnår höga energiomvandlingseffektivitet och optimerad för scenarier utanför nätet med PV produktionskapacitet som överstiger belastningsbehovet; Utomhusklassade MPPT-kontroller integrera combiner- och MPPT-funktioner i ett enda härdat hölje. Det kompletta systemet inkluderar en dieselgenerator ATS-tillval, en 300kW hybrid växelriktare, PV MPPT-kontroller och ett batterienergilagringssystem.
Särdrag Systemet använder modulära inverterenheter i parallell konfiguration, där varje invertermoduls DC-ingång motsvarar ett dedikerat batteriskåp, möjliggör per-klusterhantering för att eliminera cirkulerande strömmar mellan batteristrängar. AC/DC-strömmodulerna stöder flexibel användning i både kvantitet och märkeffekt, med en maximal kapacitet på 60kW moduler i en 5-enhets parallell konfiguration. AC-utgången från effektmodulerna levereras via en transformator isolerat slutsteg, som levererar ström till lasten med starkt motstånd mot nuvarande chock. Hybriden ESS använder DC-kopplad solcellsintegration, vilket uppnår höga energiomvandlingseffektivitet och optimerad för scenarier utanför nätet med PV produktionskapacitet som överstiger belastningsbehovet; Utomhusklassade MPPT-kontroller integrera combiner- och MPPT-funktioner i ett enda härdat hölje. Det kompletta systemet inkluderar en dieselgenerator ATS-tillval, en 300kW hybrid växelriktare, PV MPPT-kontroller och ett batterienergilagringssystem.
Specifikationer |
|||||
| Modeller | P200TS-400-A | P250TS-400-A | P300TS-400-A | ||
|
DC-Side parametrar |
Spänningsområde | 650-950 VDC | |||
| Ingångsomkopplare per modul | 250A | ||||
| Antal DC-kanaler | 3 sätt | 4 sätt | 5 sätt | ||
|
AC-Side parametrar (nätansluten) |
Nominell uteffekt | 200kW | 250kW | 300kW | |
| Maximal uteffekt | 220kW | 275 kW | 330kW | ||
| Märkutgångsström | 289A | 361A | 433A | ||
| THDi | <3 % | ||||
| Rutnätstyp | 3W+N+PE | ||||
| Spänningsområde | 360Vac~440Vac | ||||
| Frekvensområde | 45~55Hz/55~65Hz | ||||
| Effektfaktor | -1~1 | ||||
|
Islanded Parametrar på AC-sidan |
Nominell uteffekt | 200kW | 250kW 300kW | ||
| Märk utspänning | 400Vac | ||||
| Nominell utfrekvens | 50/60Hz | ||||
| THDu | <1 % linjär, <5 % olinjär<1 % linjär, <5 % olinjär | ||||
| Överbelastningskapacitet | 110 % överbelastning i 10 minuter 110 % i 10 minuter | ||||
|
Grid-Islanding Transfer och ställverk |
Omkopplare för underhåll | 400A | 630A | ||
| Grid switchar | 630A | 800A | |||
| Ladda switchar | 400A | 630A | |||
| STS-enhet | 577A/400kW | 722A/500kW | |||
| Bytestid | <20 ms | ||||
|
Systemparametrar |
Högsta effektivitet | 97,5 % | |||
| Driftstemperatur | -30~55 ℃-30~55 ℃ (nedsättning över 40 ℃) | ||||
| Relativ luftfuktighet | 0~95%RH,0~95%RH,Icke-kondenserande | ||||
| Mått (L*D*H) | 1300×1050×2050 mm | ||||
| Vikt | 1400 kg | 1700 kg 1800 kg | |||
| IPgrade | IP21 IP21(Full set) | ||||
| Buller | <70dB | ||||
| Skärm | LCD-pekskärm | ||||
| BMS kommunikation | BURK | ||||
| EMS-kommunikation | TCP/IP | ||||