English
Español
Português
русский
Français
日本語
Deutsch
tiếng Việt
Italiano
Nederlands
ภาษาไทย
Polski
한국어
Svenska
magyar
Malay
বাংলা ভাষার
Dansk
Suomi
हिन्दी
Pilipino
Türkçe
Gaeilge
العربية
Indonesia
Norsk
تمل
český
ελληνικά
український
Javanese
فارسی
தமிழ்
తెలుగు
नेपाली
Burmese
български
ລາວ
Latine
Қазақша
Euskal
Azərbaycan
Slovenský jazyk
Македонски
Lietuvos
Eesti Keel
Română
Slovenski
मराठी
Srpski језик
Produktegenskaper
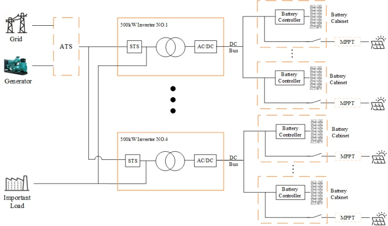
1. Belastningar som överstiger 500 kW, det rekommenderas att använda en 500 kW energilagringsomriktare med stor kapacitet på 500 kW, som kan stödja upp till fyra uppsättningar parallella anslutningar, vilket ger en total uteffekt på 2 MW;
2. När man använder flera 500 kW-system parallellt och distribuerar STSa över olika 500 kW-växelriktare, är det avgörande att säkerställa att kabellängden från nätets kopplingspunkt till belastningskopplingen är konsekvent;
3. Hybrid ESS använder DC-kopplad solcellsintegration, vilket uppnår hög energiomvandlingseffektivitet och optimerad för scenarier utanför nätet med PV-genereringskapacitet som överstiger belastningsbehovet; Utomhusklassad MPPT
styrenheter integrerar kombinerar- och MPPT-funktioner i ett enda härdat hölje. Det kompletta systemet inkluderar en dieselgenerator ATS-tillval, en 300kW hybridväxelriktare, PV MPPT-styrenhet och ett batteri
energilagringssystem.


Specifikation
| Modeller | P500TS-400-A | |
|
DC-Side parametrar |
Spänningsområde | 500-950V |
| Maximal ström | 1128A | |
| Nominell uteffekt | 500kW | |
|
AC-Side parametrar (nätansluten) |
Maximal uteffekt | 550kW |
| Märkutgångsström | 722A | |
| THDi | <3 % | |
| Rutnätstyp | 3W+N+PE | |
| Spänningsområde | 360VAC~440VAC | |
| Frekvensområde | 45~55Hz/55~65Hz | |
| Effektfaktor | -1~1 | |
| Nominell uteffekt | 500kW | |
|
Parametrar på AC-sidan (Off-Grid) |
Märk utspänning | 400V |
| Nominell utfrekvens | 50/60Hz | |
| THDu | <1 %linjär belastning,<5 % icke-linjär belastning | |
| Överbelastningskapacitet | 110% 10 minuter | |
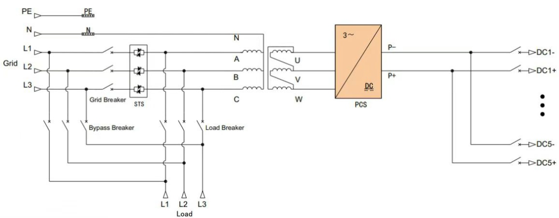
| Omkopplare för underhåll | 1250A | |
|
Off-Grid switch och switch konfiguration |
DC-brytare | 1250A |
| Belastningsbrytare | 1250A | |
| Grid switch | 1250A | |
| STS-enhet | 1155A/800kW | |
| Bytestid | <20 ms | |
|
Systemparametrar |
Toppeffektivitet | 97,5 % |
| Driftstemperatur | -30~55 ℃ (nedsättning över 40 ℃) | |
| Relativ luftfuktighet | 0 till 95 % RH, Icke-kondenserande | |
| Mått (L*D*H) | 1600×1050×2050 mm | |
| Vikt | 2700 kg | |
| IPgrade | IP21 IP21 (komplett maskin) | |
| Buller | <70dB | |
| Skärm | LCD | |
| BMS kommunikation | BURK | |
| EMS-kommunikation | TCP/IP | |